< img src="https://mc.yandex.ru/watch/95289908" style="position:absolute; left:-9999px;" alt=""/>
ПРИВОДЫ И СТАРТЕРЫ
 
Дом / Тематическое исследование / ПЧ и УПП / Металлургия / Применение электроприводов среднего напряжения Nancal в главных вытяжных вентиляторах металлургического спекания

Применение электроприводов среднего напряжения Nancal в главных вытяжных вентиляторах металлургического спекания

1. Введение

Предприятия черной металлургии являются основными потребителями энергии в национальной экономике, а сталелитейная промышленность определена как ключевой сектор в сохранении национальных ресурсов. Учитывая нынешнюю напряженность между предложением и спросом на энергию как внутри страны, так и за рубежом, сталелитейным предприятиям необходимо срочно сократить потребление энергии различными способами для достижения оптимальных экономических выгод и производительности.

Например, в агломерационном производстве только потребление энергии с приводом от двигателя составляет более 20% общих затрат на электроэнергию , а двигатели среднего напряжения, приводящие в движение вентиляторы, составляют значительную часть этой суммы. В типичной производственной линии по агломерации от 25% до 30% электроэнергии используется для привода различных типов вентиляторов. Поэтому снижение потребления и повышение эффективности для вентиляторов является актуальной задачей.

Главные вытяжные вентиляторы спекания часто приводятся в действие мощными синхронными двигателями. Ранние методы запуска синхронных двигателей в основном представляли собой пуск с жидкостным сопротивлением. Этот метод запуска и регулирования создавал множество проблем, таких как высокий пусковой ток, чувствительность к рассогласованию при большой нагрузке и серьезные потери энергии. Кроме того, из соображений безопасности и стабильности сами системы спекания изначально проектировались со значительными запасами для вентиляторного оборудования, что привело к распространенному на многих агломерационных заводах явлению «использования кувалды для раскалывания ореха».

По мере изменения условий эксплуатации и производительности изменяется и требуемый воздушный поток для системы. Однако большинство вентиляторов по-прежнему используют традиционные методы регулирования, т.е. регулируют открытие впускных и выпускных заслонок. Этот метод достигает своей цели за счет увеличения сопротивления ветра и снижения эффективности вентилятора, что приводит к значительным потерям энергии. Поэтому внедрение модернизации привода с регулируемой частотой (ЧРП) для мощных синхронных двигателей среднего напряжения, приводящих в действие главные вытяжные вентиляторы спекания, является обязательным.

烧结主抽-封面.png

Рисунок 1. Площадка главного вытяжного вентилятора спекания

2. Техническое решение

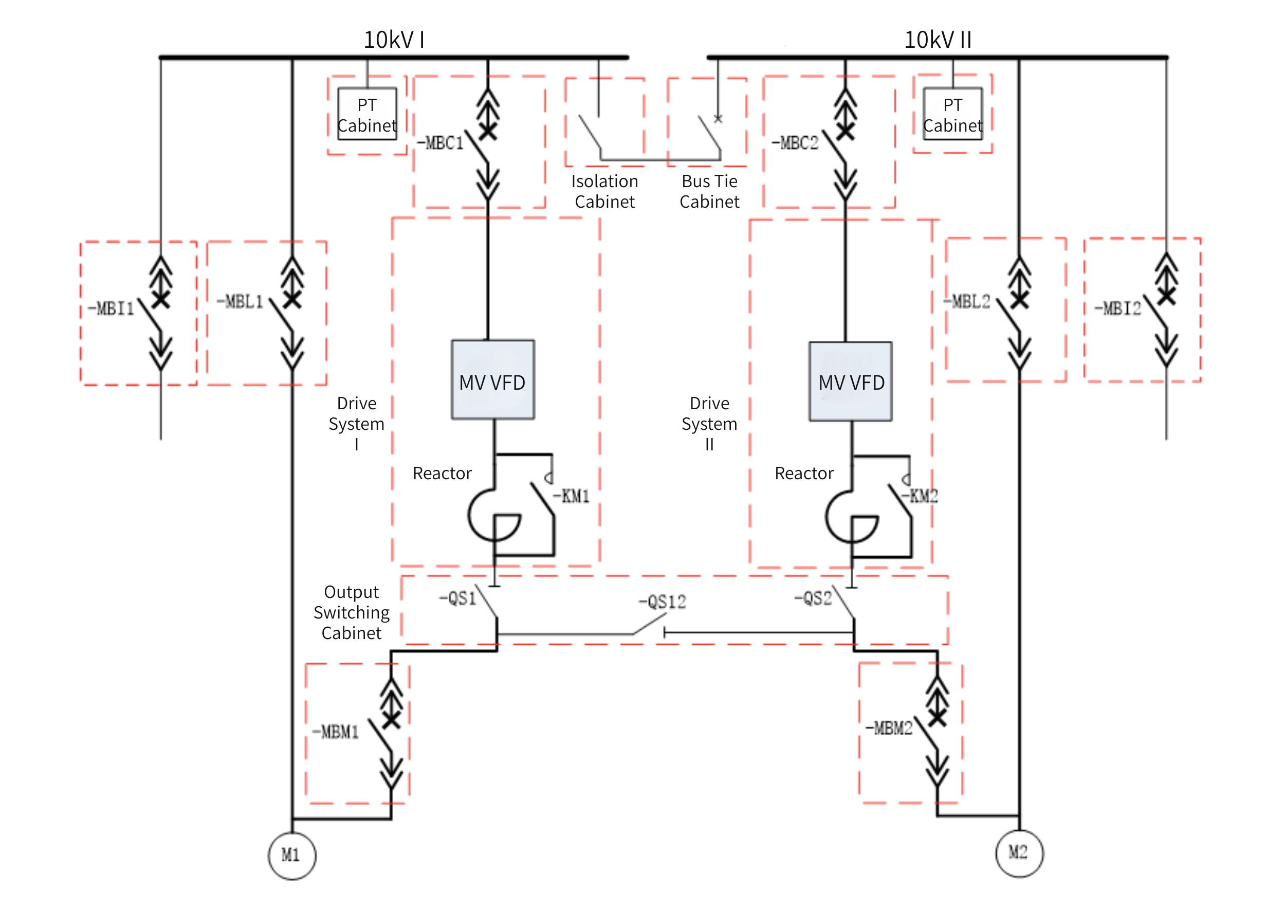
Используя свой многолетний опыт применения продукции в металлургической промышленности, компания Nancal Electric провела модернизацию основной вытяжной системы агломерации сталелитейного завода. В этом проекте использовалась агломерационная машина площадью 238 м², оснащенная двумя главными вытяжными вентиляторами, приводимыми в движение синхронными двигателями 10 кВ / 4600 кВт. Первоначально главные вытяжные вентиляторы запускались с сопротивлением жидкости и работали на промышленной частоте, что соответствовало технологическим требованиям к отрицательному давлению и потоку воздуха в ветровой камере путем регулировки отверстий заслонки впускных жалюзи для обеспечения стабильной производительности. В ходе этой модернизации первоначальные два жидкостных пусковых устройства с сопротивлением «один привод-один» были удалены и заменены двумя частотно-регулируемыми приводами для регулирования скорости, что позволило обеспечить плавный пуск по принципу «два привода-два» и регулирование скорости с переменной частотой и взаимным ручным резервированием . Однолинейная схема системы показана ниже:

烧结主抽-图2-en.png

Рисунок 2. Однолинейная схема ЧРП.

Порядок работы:

(1) Когда агломашина работает с полной нагрузкой, вентиляторы спекания работают на полной скорости. ЧРП запускает соответствующий двигатель следующим образом (в качестве примера можно использовать ЧРП №1 для запуска двигателя №1):

а. Выберите работу с постоянной скоростью в системе управления; MBL1 открыт.

б. Переключатель среднего напряжения на входной стороне ЧРП MBC1 и переключатель среднего напряжения на выходной стороне MBM1 разомкнуты; Разъединитель QS1 замкнут, разъединитель QS12 разомкнут.

в. Токоограничивающий переключатель обхода реактора разомкнут и не может быть включен.

д. Замкните переключатель MBC1 на стороне входа ЧРП.

е. Замкните переключатель MBM1 на стороне выхода ЧРП.

ф. Запустите двигатель на номинальную скорость при закрытой заслонке вентилятора. Когда выходное напряжение ЧРП соответствует требованиям синхронизации сети (амплитуда, частота, фаза), закройте MBL1, заблокируйте импульсы запуска ЧРП, разомкните MBM1, а затем разомкните MBC1.

г. Двигатель №1 и вентилятор спекания завершили запуск и теперь работают на промышленной частоте.

Двигатель №2 запускается и синхронизируется с сетью таким же образом.

(2) Когда один ЧРП находится на техническом обслуживании или неисправен, другой ЧРП может запустить оба двигателя и переключить их на работу с промышленной частотой. Процедура следующая (в качестве примера можно использовать ЧРП №1 для запуска двигателя №2):

а. Выберите работу на промышленной частоте в системе управления; MBL2 открыт.

б. Выберите, чтобы запустить VFD №1.

в. Выберите, чтобы запустить двигатель №2.

д. Переключатель MBM1 на стороне выхода ЧРП разомкнут; разъединитель QS2 разомкнут; QS1 и QS12 закрыты.

е. Токоограничивающий переключатель обхода реактора разомкнут и не может быть включен.

ф. Замкните переключатель среднего напряжения на входной стороне ЧРП MBC1 и переключатель среднего напряжения на выходной стороне MBM2.

г. Запустите двигатель на номинальную скорость при закрытой заслонке вентилятора. Когда выход ЧРП синхронизирован с сетью, закройте MBL2, заблокируйте триггерные импульсы ЧРП, откройте MBM2, а затем откройте MBC1.

час Двигатель №2 и вентилятор спекания были запущены ЧРП №1 и теперь работают на промышленной частоте.

3. Базовая конфигурация

В зависимости от требований к параметрам двигателя и нагрузки основные параметры привода среднего напряжения Nancal Electric следующие:

烧结主抽-表1-en.png

Параметры двигателя следующие:

烧结主抽-表2-en.png

4. Функции ЧРП

4.1 Технология управления синхронным двигателем с возбуждением

Используя высокоэффективное векторное управление, привод обеспечивает независимое управление крутящим моментом и магнитным потоком двигателя, что обеспечивает точное управление током возбуждения и крутящим моментом синхронного двигателя . Синхронный двигатель использует стратегию векторного управления, ориентированного на поле. Система управления использует двойную структуру с замкнутым контуром с контуром скорости и контуром тока. В токовой петле используется ПИ-регулятор для хорошего отслеживания тока. Контур скорости использует ПИ-регулятор для эффективного ограничения перерегулирования во время динамического отклика и увеличения скорости отклика.

4.2 Определение начального положения ротора синхронного двигателя

Перед запуском синхронного двигателя высоковольтный привод Nancal Electric подает сигнал возбуждения на ротор и использует математическую модель двигателя для определения положения ротора. Эта технология обеспечивает погрешность определения начального положения ротора < 3° . Угол начального вектора напряжения на выходе ЧРП начинается с угла положения ротора, что предотвращает реверс и перегрузку по току во время запуска.

4.3 Безаварийное управление плавным пуском и плавным остановом с регулируемой частотой

Частотно-регулируемый привод оснащен функцией плавного пуска и включает в себя технологию переключения без помех (частота сети/переменная частота). Полностью цифровая система управления объединяет функцию синхронного подключения к сети. Используя встроенные электронные устройства обнаружения входного и выходного напряжения, он не требует внешних трансформаторов напряжения или синхронизирующих реле, что значительно повышает надежность и вероятность успешного подключения к сети..

4.4 Защита от низкого напряжения (LVRT)

В приводах среднего напряжения серии NC HVVF реализована передовая технология поддержки низкого напряжения (LVRT), предназначенная для повышения возможности непрерывной работы. Это максимизирует способность оборудования противостоять проблемам с качеством электропитания , гарантируя, что оборудование остается незатронутым внешними помехами, тем самым обеспечивая непрерывность производства.

4.5 Старт с полета

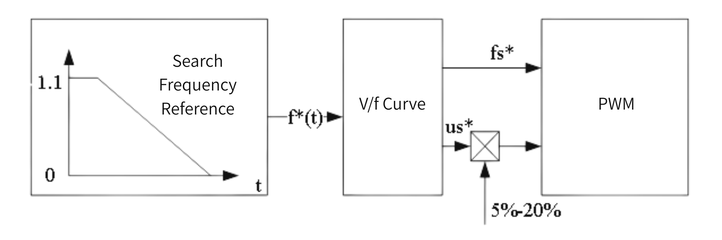
Чтобы учесть колебания напряжения в сети и необходимость переключения основной шины электропитания на месте, в системе предусмотрена функция перезапуска вращающихся двигателей. При запуске двигателя, который уже вращается, ЧРП может автоматически искать и отслеживать скорость двигателя, возвращаясь в нормальное рабочее состояние в соответствии с установленным временем ускорения/замедления , обеспечивая безопасную работу агрегата без отключения.

烧结主抽-图3-en.png

Рис. 3. Логическая схема запуска с хода

5. Результаты после модернизации

Такая модернизация отвечала требованию кратковременной остановки производства без остановки вентилятора на главном вытяжном трубопроводе агломерации: когда на другом оборудовании на объекте возникали кратковременные сбои (время простоя менее 3 часов ), двигатель мог работать на пониженной частоте через ЧРП, снижая частоту до 25 Гц или даже ниже . За этот период экономия энергии вентилятором была максимальной.

Оптимизировано управление процессом спекания: процесс спекания требует точного контроля воздушного потока, степени вакуума, толщины слоя, скорости машины и конечной точки спекания. Одновременное выполнение всех этих пунктов обеспечивает качество готового агломерата. Используя метод регулирования скорости с ЧРП, можно найти оптимальную рабочую точку, управляя ЧРП для регулировки потока воздуха и степени вакуума (в основном давления, на которое влияют толщина слоя и крупность материала: крупный материал обеспечивает более высокую проницаемость, требуя меньшего давления; мелкий материал обеспечивает более низкую проницаемость, требуя более высокого давления) в зависимости от толщины слоя и скорости машины, оставляя при этом определенный запас. Это удовлетворяет фактические требования производственного процесса, обеспечивая при этом максимальную экономию энергии, достижение целей обеспечения производства и повышения эффективности.

Вероятность деформации воздуховода и утечки воздуха была значительно снижена, что повысило безопасность воздуховода : работа главного вытяжного вентилятора спекания в оптимальной рабочей точке через ЧРП позволяет избежать чрезмерного давления на воздуховоды, предотвращая такие инциденты, как разрушение или деформация воздуховодов, тем самым снижая нагрузку на техническое обслуживание и риски для персонала.

ЧРП также обеспечивает функцию плавного пуска: при плавном запуске двигателя с помощью ЧРП пусковой ток можно контролировать ниже номинального тока. Благодаря использованию схемы предварительной зарядки среднего напряжения и технологии синхронного подключения к сети на основе реактора, технологии переключения без помех достигается действительно плавный пуск без ударов ..

После модернизации значительная экономия энергии была достигнута за счет регулирования скорости с помощью частотно-регулируемого привода. Модернизация проекта позволила сэкономить предприятию значительные затраты на электроэнергию, снизить производственные затраты и повысить эффективность производства, что принесло значительные экономические выгоды наряду с положительными социальными выгодами. Кроме того, вентилятор теперь обеспечивает плавный пуск, четко решая такие проблемы, как высокий пусковой ток, несинхронизация при большой нагрузке и высокие затраты на техническое обслуживание.

Nancal Electric остается ориентированной на клиентов, предоставляя различные технические решения по модернизации для клиентов в металлургической промышленности, а также в проектах по модернизации главных вытяжных вентиляторов. К ним относятся плавный пуск «один привод-один», регулирование скорости с регулируемой частотой «два привода-два» с автоматическим взаимным резервным переключением, а также конфигурации, в которых ЧРП работает во взаимном резерве с твердотельным устройством плавного пуска (или пускателем с жидкостным сопротивлением). Эти решения обеспечивают критически важную техническую поддержку предприятий для снижения затрат, повышения эффективности и улучшения управления процессами.

Контакты

Тел.: +86-13818246162

Электронная почта: liliang@nancal.com

Биржевой код: 603859

© Shanghai Nancal Electric Co., Ltd.                                                      沪ICP备2021021924号